Papizac
Membres-
Nbre de contenus
365 -
Inscription
-
Dernière visite
Tout ce qui a été posté par Papizac
-
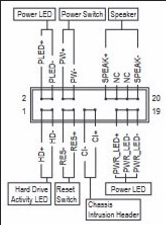
Bonjour Je vais faire une liste de tout ce que dois connecter avec les concordances entre les 2 cartes. Je la posterai et tu me diras si ça te paraît correct. Verifis surtout si je ne me suis pas trompé dans la numérotation des broches des dernières photos que j'ai posté. Merci.
-
Bonjour c'est la version 1.3. Ce qui me gène c'est pour connecter tout ce qui est front panel. Tu vois la différence , en plus je ne sais pas comment c'est numéroté sur le MSI. Au fait est il possible de diminuer la grosseur des fichiers que j’insère dans la conversation?
-
Pour répondre à Calisto, je n'arrive pas à savoir quel modèle il s'agit.
-
Ok je fais ça et je renvoie
-
Bonjour , je viens d'acheter une carte Gigabyte B550 Gaming X V2 chez Amazon.Dans la boite il n'y a que la carte. Est ce que quelqu'un pourrait m'aider pour les connections .Il y en a pas mal que je connais, mais il m'en manque.Mon ancienne carte est une MSI X470 gaming plus max , et les connections ne sont pas tout a fait les mêmes. Je donnerais plus de détails à celui qui pourra m'aider. Merci d'avance.
-
ok je repars sur une nouvelle discussion.
-
bonjour pour continuer , je vais donc changer ma CM (je vais essayer de me faire rembourser l'ancienne). Comme je ne veux pas changer proc et RAM, j'ai trouvé ça :Gigabyte B550 Gaming X V2 ATX Motherboard for AMD AM4 , qu'est ce que tu en penses ?ou as tu une meilleure idée dans les même prix ? est ce que mon alim de 550 W est suffisante? Merci de ta réponse
-
Bonjour je vais essayé de faire comme ça . On verra bien. Merci de ton aide.
-
Bonjour rien avec Medicat.J'ai envoyé un mail à MSI ,pour eux c'est un problème avec la carte mère. Il me dise de la ramener ou je l'ai acheté. Mais ça ne servira a rien. J’espère qu'elle va tenir encore . Il faudra que je te recontacte pour voir ce que je pourrai prendre a la place et qui me coûte pas trop cher. En tous cas je te remercie de ton aide .Si tu as une autre idée n'hésite pas à me le dire.
-
OK je m'occupe de ça et je te tiens au courant
-
Non, je n'ai pas essayé ça. J'ai un chkdsk pour tous les disques, mais sans changement. Ça m'ennuie de refaire une install.
-
Bonjour j'ai fait exactement ce qui est indiqué dans la vidéo, mais ça ne change rien pour Crystaldiskinfo .Toujours disques introuvables.
-
Bonjour Non je n'ai jamais mot de mot de passe au bios. Faut il éteindre et débrancher le PC avant d'appuyer sur le bouton CMOS sur la CM ?
-
J'ai vu que au redémarrage il me sera demandè un mot de passe. C'est quoi ce mot de passe ?
-
Bonjour , j'ai désinstallé AMD storemi , et redémarré ,mais ça n'a rien changé . Maintenant je vais faire un reset usine.
-
Bonjour ils apparaissent bien dans Speccy. Je n'ai pas crée de Raid. est ce que serait nécessaire?
-
Ok je vais voir ça demain et je reviendrai. Bonne soirée.
-
Carte mère MSI X470gaming plus max avec CPU : AMD Ryzen 5 Pro with Radeon Graphics.et mémoire DD4 . 2 x 8 Gb.
-
Ça ne change rien...
-
Ok je vais tester et je reviens. Merci
-
Bonjour là tu as tout mes disques, mais j'ai essayé de voir si le S.M.A.R.T. était activé pour chacun d'eux, mais dans le bios impossible de faire quoi que ce soit sur les disques ,la seule chose c'est changer date et heure du système et ensuite je passe à DMI info. Je me demande si ce n'est pas quand je suis passé à Windows 11 que ça a mer... Peut être que je devrais voir si il n(y a pas une mise a jour de la CM?
-
je viens de regarder avec Speccy mais il m'indique que mes disques ne suporte pas SMART!!
-
Bonjour , ça ne change rien . Toujours disques introuvable.
-
Ok je teste et je reviens.
